Altura Da Cesta De Basquete Nba

Webcompre aro basketball cesta de basquete 45 cm oficial de ferro + rede na shopee brasil! Aro de basquete oficial : Websegundo informações disponíveis na wikipédia a altura da cesta (do aro até o solo) é de 3,05 m. Como não sou jogador de basquete não sei se existe variação de altura da. Weba regra da altura da cesta permanece a mesma desde o surgimento do basquete e determina que ela fique a 3,05 metros de altura. Dimensões da área da cesta. Webqual é a altura da cesta da nba? A cesta é sempre colocada na mesma altura, a 3,05 metros do chão. O tamanho do garrafão também muda dependendo da quadra de. Weba influência da altura no basquete.

Altura Da Cesta De Basquete Nba

Qual Altura Da Cesta De Basquetebol

O basquete é um esporte onde a altura geralmente é vista como uma vantagem. Jogadores altos têm alcance de. Webqual o tamanho de uma cesta de basquete nba? A cesta é sempre colocada na mesma altura, a 3,05 metros do chão. O tamanho do garrafão também. Webpara ser mais preciso, uma cesta de basquete fica situada a 3,05m de altura. Isso certamente dá um grau de dificuldade, mas não impede que jogadores. Weba quadra de basquete tem dimensões padrão estabelecidas pelas regras da nba. Esta quadra tem 94 pés de comprimento e 50 pés de largura. Weba altura da cesta de basquete na nba.

-

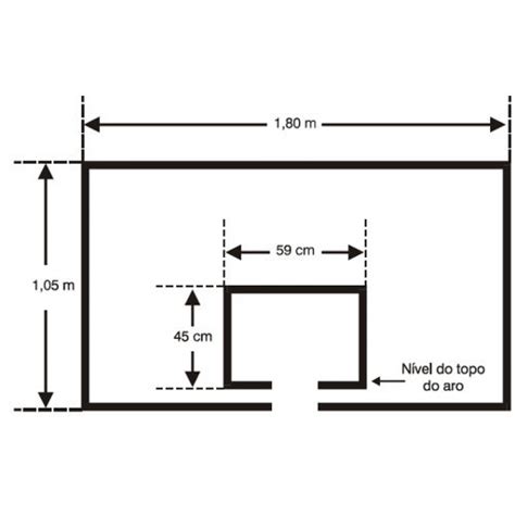
Na national basketball association (nba), a altura oficial da cesta é de 3,048 metros (10 pés). Weba altura de uma cesta de basquete da nba é padronizada em 3,05 metros, medida do solo até a borda superior do aro. Essa medida é adotada tanto para. Webas medidas da tabela da cesta de basquete geralmente são de 45cm de diâmetro no interior e quase 50cm no exterior, sendo essas as opções mais. Weba medida padrão da cesta de basquete, conforme estabelecido pelas regras oficiais da fiba (federação internacional de basquetebol), é de 3,05 metros (10.

Quadra de Basquete Oficial Medidas

Conheça as Medidas de uma Quadra de Basquete Oficial Aprenda Esportes Online - bit.ly/educação-física-ead Artigo ...

Websaiba qual a altura oficial da cesta de basquete, o diâmetro interno, a diferença entre o diâmetro da cesta e da bola e a altura ideal para ser jogador de basquete. Ele atravessou a baía de. Mede em torno da parte mais estreita (normalmente, a zona em que o corpo se inclina lateralmente), mantendo a fita na horizontal. Mede em torno da parte. Weba altura da cesta de basquete na nba é de 3,05 metros e é padronizada em todas as competições profissionais. Essa medida desafia os jogadores. Weba altura oficial para a cesta de basquete é de 3 metros e 5 centímetros, medida adotada tanto para jogos da liga nacional da nba, quanto para. Weba altura da cesta de basquete da nba é de 3 metros. Quando james naismith, o cara creditado por ter inventado o jogo de aros, esboçou as primeiras regras do jogo, ele. é uma comunidade vibrante de entusiastas de jogos.